Результаты опроса: Нужна ли вам такая функция на телевизоре?

Голосовавшие
191. Вы ещё не голосовали в этом опросе
  • Нет.

    28 14.66%
  • Да.

    129 67.54%
  • Нужна , только руки кривые, самому не осилить

    34 17.80%
Страница 38 из 93 ПерваяПервая ... 28323334353637383940414243444888 ... ПоследняяПоследняя
Показано с 371 по 380 из 921
  1. #371
    Новичок Аватар для denns
    Регистрация
    16.11.2010
    Сообщений
    15
    Вес репутации
    194

    По умолчанию Re: Фоновая подсветка телевизора Ambilight

    Цитата Сообщение от Chip Посмотреть сообщение
    Можно поставить и биполярные транзисторы, основное требование что бы он управлялся логическим уровнем
    Для особо одаренных можно поподробнее
    (в даташите это как-то указано)

    Спс

  2. #372
    Администратор Аватар для Chip
    Регистрация
    08.06.2007
    Возраст
    56
    Сообщений
    13,381
    Вес репутации
    10

    По умолчанию Re: Фоновая подсветка телевизора Ambilight

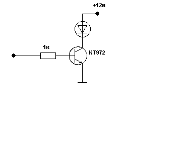
    Например так
    Нажмите на изображение для увеличения. 

Название:	BP.GIF 
Просмотров:	2329 
Размер:	2.0 Кб 
ID:	11081

  3. #373
    Новичок
    Регистрация
    18.09.2010
    Сообщений
    9
    Вес репутации
    194

    По умолчанию Re: Фоновая подсветка телевизора Ambilight

    А с частотой открывания у них нормально будет?Просто IRLR2905 в городе немогу наити.Есть мощные версии по 100р,накладно выходит.

  4. #374
    Администратор Аватар для Chip
    Регистрация
    08.06.2007
    Возраст
    56
    Сообщений
    13,381
    Вес репутации
    10

    По умолчанию Re: Фоновая подсветка телевизора Ambilight

    C частотой открывания у биполярника точно проблем не будет , а вот как у тебя обстоят дела током нагрузки ?
    А как насчет IRLU8259

  5. #375
    Новичок
    Регистрация
    18.09.2010
    Сообщений
    9
    Вес репутации
    194

    По умолчанию Re: Фоновая подсветка телевизора Ambilight

    Да я думаю не помрут,лента нормальной плотности,и монитор всего то 24'
    Аналогов почти нету,если только на заказ.Проще купить 972,они копеечные,сгорят - тогда и буду менять и думать.

  6. #376
    Администратор Аватар для Chip
    Регистрация
    08.06.2007
    Возраст
    56
    Сообщений
    13,381
    Вес репутации
    10

    По умолчанию Re: Фоновая подсветка телевизора Ambilight

    Если 24", тогда точно не сгорят
    У них до 4А ток колектора, но при условии что будет обеспечен теплоотвод
    У тебя наверняка будет не более 500мА, тогда никаких радиаторов не потребуется

  7. #377
    Новичок
    Регистрация
    18.09.2010
    Сообщений
    9
    Вес репутации
    194

    По умолчанию Re: Фоновая подсветка телевизора Ambilight

    Я щас замерил - 600мА на самой длинной ленте из 4х секций по 5см/3 светодиода.
    Поставил еще один канал на 872 что у меня были,еле теплые на ощупь,и то если включать в режиме подсветки на полную.

    А вот фуллхд на моем старичке все таки подтормаживает(

  8. #378
    Администратор Аватар для Chip
    Регистрация
    08.06.2007
    Возраст
    56
    Сообщений
    13,381
    Вес репутации
    10

    По умолчанию Re: Фоновая подсветка телевизора Ambilight

    Выключи тему Aero и попробуй без нее

  9. #379
    Новичок
    Регистрация
    03.02.2011
    Сообщений
    7
    Вес репутации
    189

    По умолчанию Re: Фоновая подсветка телевизора Ambilight

    Всем привет!
    Интересный проект, подумываю собрать аппарат на 8 световых зон (24 канала получается). Я так понимаю проект из первого поста на 24 канала не работает и нужно построить будет 2 штуки?
    Хотелось бы еще конечно обойтись без Arduino, по причине не имение оной, и по причине имения большого числа разных atmeg. Хотя с другой стороны проще купить ардик что бы не перелапачивать код под другие интерператоры.
    Реального кто-нибудь использует 24 канала, стоит оно того?
    Пока попробую собрать все под линкус. Использую Ion330, хочу посмотеть загрузку процессора. Надеюсь будет в рамках приличия, что бы при этом работать с 720р.
    Последний раз редактировалось JekaKey; 03.02.2011 в 19:33.

  10. #380
    Новичок Аватар для denns
    Регистрация
    16.11.2010
    Сообщений
    15
    Вес репутации
    194

    По умолчанию Re: Фоновая подсветка телевизора Ambilight

    Цитата Сообщение от K1rra Посмотреть сообщение
    Просто IRLR2905 в городе немогу наити.
    я тоже не нашел и купил IRLU 024N - отлично работают
    так-же пробывал IRFZ44N - тоже работают (но первые лучше и меньше по размеру)

Страница 38 из 93 ПерваяПервая ... 28323334353637383940414243444888 ... ПоследняяПоследняя

Информация о теме

Пользователи, просматривающие эту тему

Эту тему просматривают: 20 (пользователей: 0 , гостей: 20)

Метки этой темы

Ваши права

  • Вы не можете создавать новые темы
  • Вы не можете отвечать в темах
  • Вы не можете прикреплять вложения
  • Вы не можете редактировать свои сообщения
  •