Chip, от куда ты брал распиновку по этому процику. На днях поеду еще раз к товарищю.Сообщение от Chip
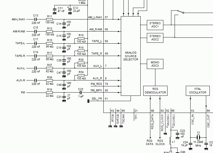
и еще вопрос, ноги 66 и 67 это аналоговые правы\левый каналы ? нужна какя либо обвязка или прям на эти ноги подавать сигнал предварительно перерезов дорожки подходящие к этим ногам.


Ответить с цитированием

