Для тех кому нужны дополнительные кнопки в автомобиле и нет желания портить интерьер , то это решение как раз для вас.
Плагин создал MarcelP.
Скачать плагин для CF2
Скачать плагин для CF3
Скачать плагин для CF3.5
Купить Arduino Nano
Максимальное число кнопок в плагине 16, изменить можно в настройках.
Максимальное возможное количество подключаемых реле к arduino не более 16 шт. Минимальное 1шт.
В настройках подпишите кнопки и выберети номер порта на котором у вас в системе зарегистрирован Carduino
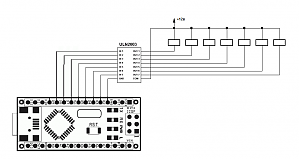
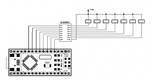
В качестве USB девайса используем Arduino Nano

Если не нужно управлять большим колличеством устройств можно купить Relay module
Еще один более простой вариант подключения реле

Исходник разведенной платы на микросхеме ULN2003 от ASSAD. Лучше применить микросхему ULN2803 так как у нее 8 ключей

Можно купить готовый блок на 8 реле
Мастеркит NM4412
Протокол общения arduino с Plugin:
Plugin шлет три байта
первый байт - преамбула всегда равен FF
Второй байт - выбор реле от 1 до 16
Третий байт переводит состояние выхода, 1=включение, 0=выключение
Код для rduino Nano:
PHP код:
void setup()
{
// выходы управления реле
for (int i=2; i < 10; i++)
{
pinMode(i,OUTPUT);
digitalWrite(i, LOW);
}
// инициализация порта
Serial.begin(9600);
}
void loop()
{
byte a, b, c;
if (Serial.available() > 2) // ждем данные от плагина
{
a = Serial.read();
b = Serial.read();
c = Serial.read();
if(a == 0xFF) //если данные от плагина, то выполим команду
{
digitalWrite(b+1, (c==0x01) ? HIGH : LOW); //выполнить
} } }
Скетч для реле модулей с инверсией
PHP код:
void setup()
{
// выходы управления реле
for (int i=2; i < 10; i++)
{
pinMode(i,OUTPUT);
digitalWrite(i, HIGH);
}
Serial.begin(9600);
}
void loop()
{
byte a, b, c;
if (Serial.available() > 2) // ждем данные от плагина
{
a = Serial.read(); //дискриптор
b = Serial.read(); //номер реле
c = Serial.read(); //состояние реле
if(a == 0xFF) //если данные от плагина, то выполим команду
{
digitalWrite(b+1, (c==0x01) ? HIGH:LOW ); //выполнить
} } }

