Страница 1 из 3 123 ПоследняяПоследняя
Показано с 1 по 10 из 21
  1. #1
    Продвинутый Аватар для Turbych
    Регистрация
    30.01.2008
    Возраст
    51
    Сообщений
    323
    Вес репутации
    289

    По умолчанию не стартует Intel D201GLY2

    Всем привет. Проблема нарисовалась, не стартует Intel D201GLY2 на БП Сергея Лебедева лайт версии, пробовали 2 мамки на 478 сокете, стартуют без проблем, а эта стартует и через секунду отключается. Куда копать??
    Спасибо.

  2. #2
    Администратор Аватар для Chip
    Регистрация
    08.06.2007
    Возраст
    56
    Сообщений
    13,381
    Вес репутации
    10

    По умолчанию Re: не стартует Intel D201GLY2

    Какая версия БП ? Надпись на маленькой платке или снизу.
    Если версия ниже 0750 то и не будет стартовать без переделки.

  3. #3
    Местный
    Регистрация
    09.03.2008
    Сообщений
    198
    Вес репутации
    271

    По умолчанию Re: не стартует Intel D201GLY2

    Он же написал лайт...

  4. #4
    Продвинутый Аватар для Turbych
    Регистрация
    30.01.2008
    Возраст
    51
    Сообщений
    323
    Вес репутации
    289

    По умолчанию Re: не стартует Intel D201GLY2

    методом тыка выясняется, что если отключить 4-пиновый дополнительный разъём питания от матери, то БП стартует, но мать соответственно не работает. А в чём заключалась переделка полноценного блока?

    Самое странное, что специально выставил напругу как в заводском блоке, с которым мать стартует...получается или стартовый ток большой, или задержка больше должна быть, но почему тогда без 4-х пинового разъёма хоть как то, но запуск происходит. Попробовал ещё с одноё материнкой на 4 пне, всё запусилось, пошла загрузка, но предохранитель выбило....там Ватт 190-200 по комплектации, получается не в блоке питания вообще дело???

    svon, куда копать может подскажешь, вроде не один такой блок собрал..
    Последний раз редактировалось Turbych; 06.04.2008 в 16:59.

  5. #5
    Местный
    Регистрация
    09.03.2008
    Сообщений
    198
    Вес репутации
    271

    По умолчанию Re: не стартует Intel D201GLY2

    Да вроде небыло у меня таких проблем, правда на такой матеинке я этот БП не испытывал

  6. #6
    Администратор Аватар для Chip
    Регистрация
    08.06.2007
    Возраст
    56
    Сообщений
    13,381
    Вес репутации
    10

    По умолчанию Re: не стартует Intel D201GLY2

    С БП загнался , разбирался в момент прочрения поста с E-10000 и ответил не про тот БП.

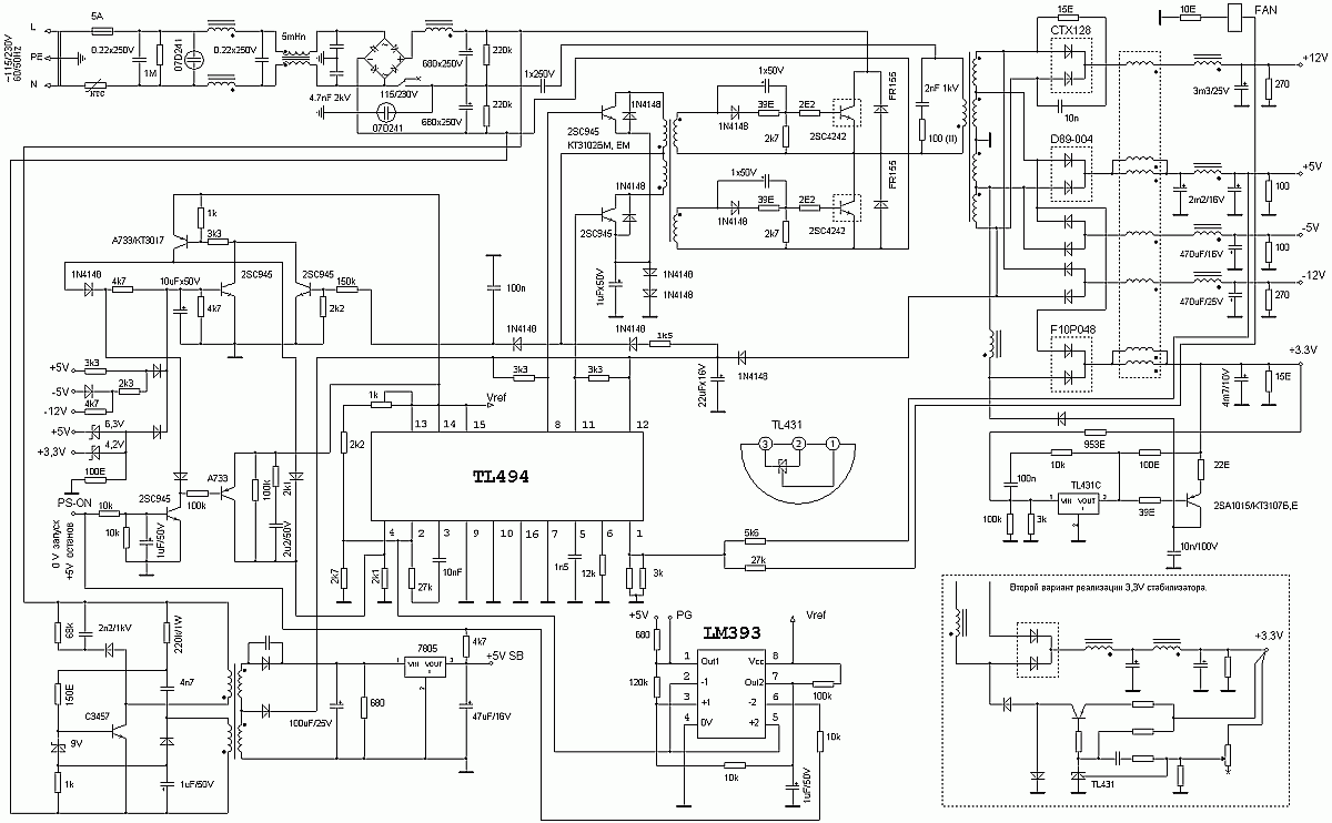
    Intel D201GLY не запускается с БП SL Lite. Это связано с не корректной реализацией сигнала PG в Lite версии БП. Решить проблему можно следующим образом:

    2+5-я ноги LM-ки идут на 2-ю ногу TL494
    6-я нога припаивается туда же, куда идет провод от АТХ разъема PS-ON
    Vref идет на 13,14,15 ногу TL494
    Провод PG отпаиваем от АТХ разъема БП и припаиваем к 1-й ноге LM-ки
    Миниатюры Миниатюры Нажмите на изображение для увеличения. 

Название:	sl.png 
Просмотров:	4865 
Размер:	32.3 Кб 
ID:	571  
    Изображения Изображения  

  7. #7
    Продвинутый Аватар для Turbych
    Регистрация
    30.01.2008
    Возраст
    51
    Сообщений
    323
    Вес репутации
    289

    По умолчанию Re: не стартует Intel D201GLY2

    Ок, спасибо, бум пробовать

  8. #8
    Продвинутый Аватар для Turbych
    Регистрация
    30.01.2008
    Возраст
    51
    Сообщений
    323
    Вес репутации
    289

    По умолчанию Re: не стартует Intel D201GLY2

    Нашёл только LM 339, вроде как тоже самое но счетверённый компаратор, подойдёт??
    Запуск блока вылечился заменой ёмкости, теперь блок запускается на ура с D201GLY2, на матери крутятся все вентиляторы, но она так и не хочет фурычить....Chip, а какую мать с AMD 2-х ядерным советуешь, а то чую продавать буду D201GLY2, если с LM не запустится...

  9. #9
    Администратор Аватар для Chip
    Регистрация
    08.06.2007
    Возраст
    56
    Сообщений
    13,381
    Вес репутации
    10

    По умолчанию Re: не стартует Intel D201GLY2

    Цитата Сообщение от Turbych
    Нашёл только LM 339, вроде как тоже самое но счетверённый компаратор, подойдёт??
    Запуск блока вылечился заменой ёмкости, теперь блок запускается на ура с D201GLY2, на матери крутятся все вентиляторы, но она так и не хочет фурычить....
    А материнку проверял она не сдохла? Проверь ее на всякий случай.

    Chip, а какую мать с AMD 2-х ядерным советуешь, а то чую продавать буду D201GLY2, если с LM не запустится...
    Я беру Biostar из-за маленьких размеров 200х240 . Это немного меньше чем принято в стандарте m-ATX(240х240) . Потребляет CarPC в сборе с двухядерником(BE), винчестеро(2,5") и одной планкой памяти 512мгб, не более 60 ватт.
    Сдалана эта мамка на чипсете AMD 690G.
    Вот здесь ссылки где можно купить

  10. #10
    Продвинутый Аватар для Turbych
    Регистрация
    30.01.2008
    Возраст
    51
    Сообщений
    323
    Вес репутации
    289

    По умолчанию Re: не стартует Intel D201GLY2

    мать без проблемп запускается на обычном БП, в тоже время на Lite версии запускаются любые другие материнки кроме этой...

Страница 1 из 3 123 ПоследняяПоследняя

Информация о теме

Пользователи, просматривающие эту тему

Эту тему просматривают: 1 (пользователей: 0 , гостей: 1)

Ваши права

  • Вы не можете создавать новые темы
  • Вы не можете отвечать в темах
  • Вы не можете прикреплять вложения
  • Вы не можете редактировать свои сообщения
  •