Показано с 1 по 6 из 6
  1. #1
    Пользователь Аватар для KilleR
    Регистрация
    10.04.2008
    Возраст
    43
    Сообщений
    41
    Вес репутации
    230

    По умолчанию Коммутатор видеосигнала

    Вот нашел микросхемку видеомультиплексора. BA7611AN. Стоит в митраконе 28 рублей.
    http://www.datasheetcatalog.org/data...m/ba7611an.pdf
    Можно использовать для коммутации камер например.

  2. #2
    Администратор Аватар для Chip
    Регистрация
    08.06.2007
    Возраст
    56
    Сообщений
    13,381
    Вес репутации
    10

    По умолчанию Re: Коммутатор видеосигнала

    Классная микросхемка , давно искал что то подобное.
    Спасибо за ссылку.

  3. #3
    Пользователь Аватар для KilleR
    Регистрация
    10.04.2008
    Возраст
    43
    Сообщений
    41
    Вес репутации
    230

    По умолчанию Re: Коммутатор видеосигнала

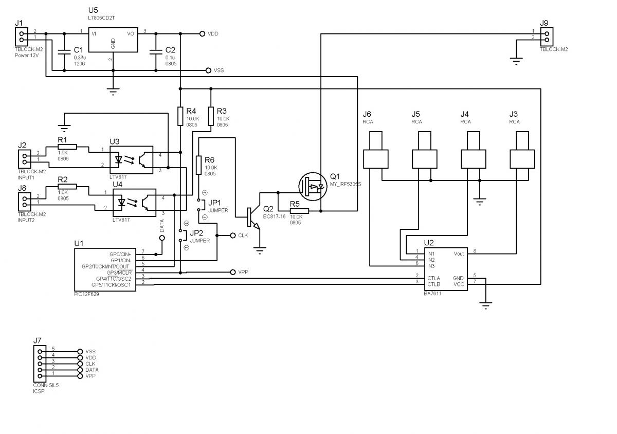
    Как давно обещал, сделал платку под эту микросхемку. Смысл ее в том, чтобы иметь возможность коммутировать 2 камеры на один вход. Кроме того этой платой я предполагаю питать камеры и активиировать вход Lilliput 859, поэтому в качестве ключа стоит мощный p-канальный полевик. Написана прошивка под PIC12F629. Все необходимое есть в приложенном файле. Проект делался в Протеле 7.5 SP3 и microC 8.2. Также предусмотрен коннектор для внутрисхемного программирования, но тут я чуток пролетел забыл перемычку на VDD сделать, уж не обессудьте. Если все же она нужна, могу предусмотреть место для smd перемычки. ну или сами это можете сделать. Для работы схемы джамперы должны быть установлены, убираются только на время внутрисхемного программирования. Входы с опто-развязкой, т.к. что нужно подавать и + и -. При желании минус можно взять сразу на схеме, и привести только плюс. Плюс такого решения вижу в том, что можно сигнал коммутировать не только плюсом, но и минусом... Кроме того простой сменой резистора, можно заставить работать схему от меньшего/большего напряжения. Себистоимость коммутора примерно 150-200 рублей. Самые дорогие это BA7611 и PIC.
    J1 - питание схемы
    J2 - вход активации задней камеры.
    J3 - видеовыход
    J4 - передняя камера
    J5 - задняя камера
    J6 - на будущее
    J7 - ICSP
    J8 - вход активации передней камеры.
    J9 - выход +12 вольт
    Всем успехов! Фотка готового варианта, надеюсь будет вечером.
    Миниатюры Миниатюры Нажмите на изображение для увеличения. 

Название:	Video_3D.jpg 
Просмотров:	783 
Размер:	131.0 Кб 
ID:	4595   Нажмите на изображение для увеличения. 

Название:	schematic.jpg 
Просмотров:	2009 
Размер:	73.4 Кб 
ID:	4596  
    Вложения Вложения
    • Тип файла: rar Video.rar (95.1 Кб, Просмотров: 646)
    Последний раз редактировалось KilleR; 09.06.2009 в 17:19.

  4. #4
    Пользователь Аватар для KilleR
    Регистрация
    10.04.2008
    Возраст
    43
    Сообщений
    41
    Вес репутации
    230

    По умолчанию Re: Коммутатор видеосигнала

    Выяснилось на практике, что встроенный усилитель - зло!!!
    Ищется замена BA7611

  5. #5
    Пользователь Аватар для KilleR
    Регистрация
    10.04.2008
    Возраст
    43
    Сообщений
    41
    Вес репутации
    230

    По умолчанию Re: Коммутатор видеосигнала

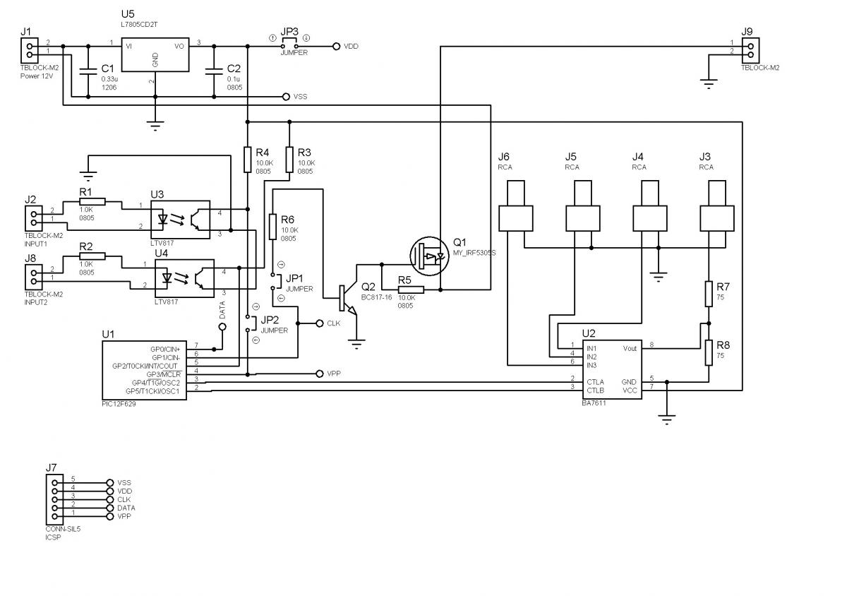
    Вообщем решение найдено: установлен делитель. Дорожка видеовыхода разорвана и в разрыв впаян резюк на 75 ом, и между выходом и землей еще один резюк на 75 ом, все 0805. Теперь картинка устраивает
    Так что схем собирабельна Чуть позже выложу исправленную схему и печатку.

  6. #6
    Пользователь Аватар для KilleR
    Регистрация
    10.04.2008
    Возраст
    43
    Сообщений
    41
    Вес репутации
    230

    По умолчанию Re: Коммутатор видеосигнала

    Исправленный проект, во вложении.
    Обращаю внимание, что в приложении 2 файла прошивки. В одной в качестве входа используется J3 (IN1) в другой J6 (IN3, Video_3.hex).
    Миниатюры Миниатюры Нажмите на изображение для увеличения. 

Название:	schematic.jpg 
Просмотров:	1820 
Размер:	75.7 Кб 
ID:	4610  
    Вложения Вложения
    • Тип файла: rar Video.rar (220.0 Кб, Просмотров: 813)

Информация о теме

Пользователи, просматривающие эту тему

Эту тему просматривают: 1 (пользователей: 0 , гостей: 1)

Ваши права

  • Вы не можете создавать новые темы
  • Вы не можете отвечать в темах
  • Вы не можете прикреплять вложения
  • Вы не можете редактировать свои сообщения
  •