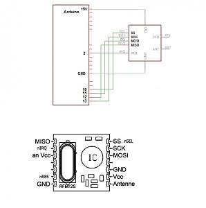
Подключаем по схеме

Скачиваем, распаковываем ,кладем куда полагается библиотеки .
Заливаем скетчь и наслаждаемся
PHP код:
#include <Ports.h>
#include <RF12.h>
#include <RF12sio.h>
RF12 RF12;
void setup() {
Serial.begin(115200);
rf12_initialize(1, RF12_433MHZ, 212);
}
void loop()
{
if (Serial.available()) //Принимаем данные от компьютера и
RF12.send(Serial.read()); // отправляем их удаленному модулю
if (RF12.poll()) //Принимаем данные от удаленного модуля и
Serial.print(RF12.read()); // отправляем их в ком порт компьютера
}