Страница 1 из 12 123456711 ... ПоследняяПоследняя
Показано с 1 по 10 из 118
  1. #1
    Администратор Аватар для Chip
    Регистрация
    08.06.2007
    Возраст
    56
    Сообщений
    13,381
    Вес репутации
    10

    По умолчанию Дисплей Epson LCD L2F50 от Siemens S65

    Срочно для одного проекта понадобился небольшой и цветной дисплей, выбор пал на дисплей LCD LS020 от Siemens S65, M65, CX65 и SK65.
    Почему LS020? Потому что на него есть рабочие библиотеки , проекты и описания. Поехал в Митино на радиорынок и тут меня постигло первое разочарование , найти дисплеев я не смог кто-то постарался и скупил их передо мной. На развалах у торговцев Б/У телефонами нашел убитый Siemens CX65 , купил его за 300 руб. Приехав домой меня постигло второе разочарование, выковырянный из телефона дисплей оказался Epson LCD L2F50. Ну ладно ничего не поделаешь стал подключать, подключил, скачал библиотеку S65Display, поменял нужные строчки либы вместо LS020 заменил на L2F50 , но диплей никак не хотел работать
    Первое что пришло в голову что дисплей нерабочий как и весь телефон, но я не стал сдаваться и начал изучать доки на этот дисплей и править библиотеки. Библиотека для L2F50 была абсолютно не работоспособна и похоже что автор ее даже не проверял, так как она имела даже синтаксические ошибки , про остальное вообще молчу. В итоги я был вознагражден за свое упорство. Дисплей стал подавать признаки жизни.
    В общем выкладываю то что получилось:

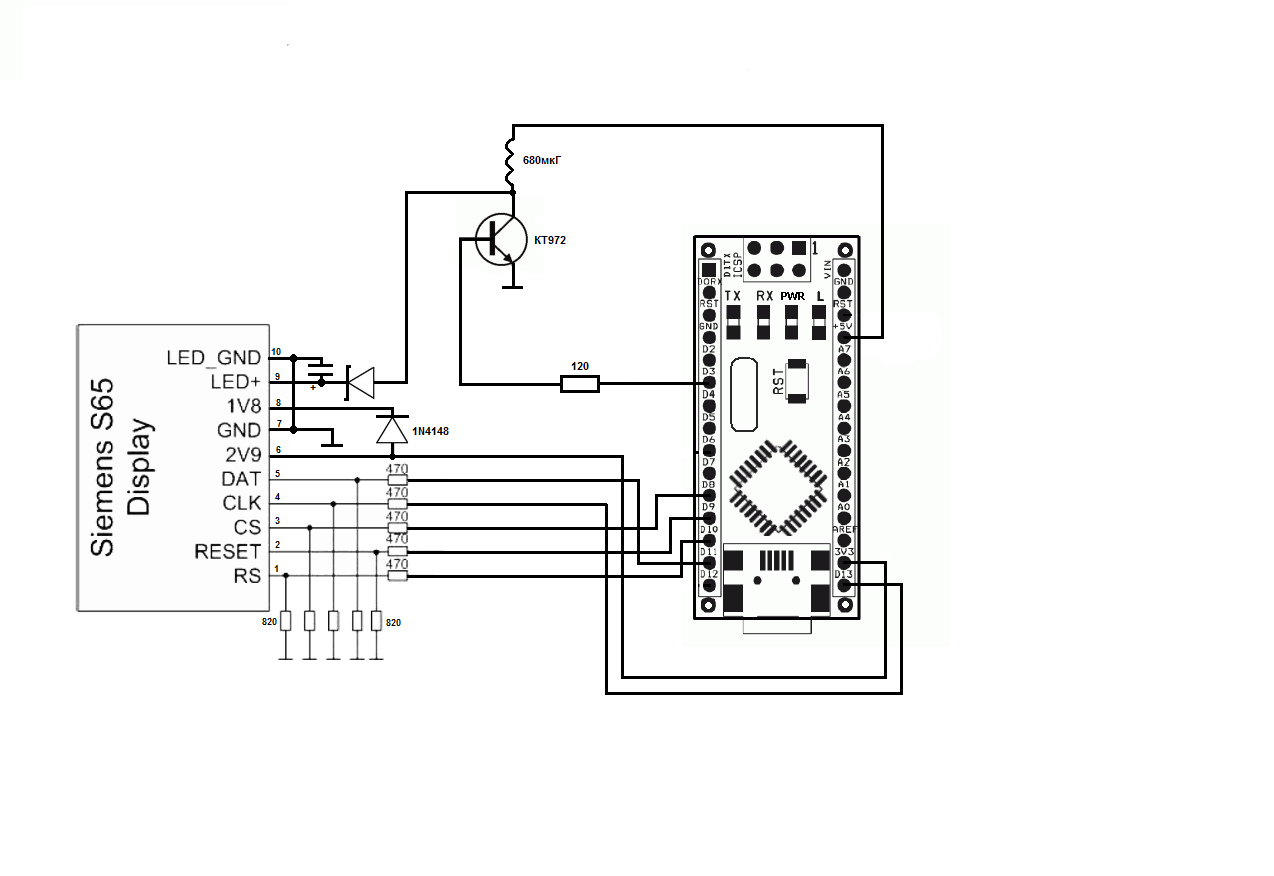
    Схема подключения к Arduino
    Нажмите на изображение для увеличения. 

Название:	Siemens_s65.PNG 
Просмотров:	29032 
Размер:	106.3 Кб 
ID:	10958

    Исправленная и рабочая библиотека для LCD L2F50 еще одна библиотека с исправленным выводом текста от VetalST

    Тестовая программа для вывода изображений через USB . В программе можно задать паузу между выводами картинок и скорость порта в файле config.ini
    Изображения с разрешением 176х132 можно положить в любом количестве в папку с программой и они будут автоматически прокручены через ардуино и ЖКИ
    Скетч к Arduino
    PHP код:
    #include <S65Display.h> 

    S65Display lcd

    word volatile data[88];  //массив входных данных 
    byte x=0y=0x_end=0y_end=0

    void setup()
    {   
     
    TCCR2B TCCR2B 0b11111000 1;
       
    pinMode(3,OUTPUT);
       
    analogWrite(3,137); //включить подсветку
       
      
    lcd.init(2); 
      
    lcd.clear(0); 
      
    Serial.begin(115200); 


      
    void loop()

     if (
    Serial.available() >= 88
     { 
       for (
    byte i 044i++)
        {
          
    byte a Serial.read();
          
    byte b Serial.read(); // прочитать данные из порта в массив
         
    data[i]=((a<<8)|(b)); 
        }  

    y_end=y+43;
    x_end=x;
    if(
    y_end 131){y_end=0x_end++;}
    lcd.setArea(xyx_endy_end);
    lcd.drawStart();
           for (
    byte idx 0idx 44idx++) 
           { 
             
    lcd.draw(data[idx]); // вывод пикселя на экран 
             
    y++; 
                if (
    131
                 { 
                   
    0
                   
    x++; 
                 }  
           }  
    lcd.drawStop();   
    if( 
    x>175 0;      
    }

    Вложения Вложения
    • Тип файла: rar S65Display.rar (36.2 Кб, Просмотров: 7462)
    • Тип файла: rar S65.rar (737.1 Кб, Просмотров: 9123)
    Последний раз редактировалось Chip; 19.03.2017 в 02:43.

  2. #2
    Пользователь
    Регистрация
    19.06.2009
    Сообщений
    32
    Вес репутации
    214

    По умолчанию Re: Дисплей Epson LCD L2F50 от Siemens S65

    если еще потребуются дисплеи на s65 могу подарить парочку(а может и больше). Есть несколько килограмм сименсов разных

  3. #3
    Администратор Аватар для Chip
    Регистрация
    08.06.2007
    Возраст
    56
    Сообщений
    13,381
    Вес репутации
    10

    По умолчанию Re: Дисплей Epson LCD L2F50 от Siemens S65

    Отлично!
    Скорее всего потребуются, могу на что нибудь поменять
    Последний раз редактировалось Chip; 29.01.2011 в 21:06.

  4. #4
    Новичок
    Регистрация
    10.03.2011
    Сообщений
    1
    Вес репутации
    0

    По умолчанию Re: Дисплей Epson LCD L2F50 от Siemens S65

    Добрый день а можно ли переписать программу под драйвера cp2102 или под ком порт компьютера???

  5. #5
    Администратор Аватар для Chip
    Регистрация
    08.06.2007
    Возраст
    56
    Сообщений
    13,381
    Вес репутации
    10

    По умолчанию Re: Дисплей Epson LCD L2F50 от Siemens S65

    Если время будет постараюсь переписать.

  6. #6
    Пользователь
    Регистрация
    08.12.2011
    Сообщений
    84
    Вес репутации
    193

    По умолчанию Re: Дисплей Epson LCD L2F50 от Siemens S65

    Подскжите пожалуйста какими командами выводить текст на дисплей

  7. #7
    Администратор Аватар для Chip
    Регистрация
    08.06.2007
    Возраст
    56
    Сообщений
    13,381
    Вес репутации
    10

    По умолчанию Re: Дисплей Epson LCD L2F50 от Siemens S65

    Формат
    drawText(x-position, y-position, 'text', font size, font color, fone color)

    пример:
    lcd.drawText(20, 40, "Test", 3, RGB(255,255,0), RGB(0,0,0));
    Последний раз редактировалось Chip; 30.12.2011 в 22:33.

  8. #8
    Пользователь
    Регистрация
    08.12.2011
    Сообщений
    84
    Вес репутации
    193

    По умолчанию Re: Дисплей Epson LCD L2F50 от Siemens S65

    Спасибо Chip и если не сложно то напиши назначение команд

  9. #9
    Администратор Аватар для Chip
    Регистрация
    08.06.2007
    Возраст
    56
    Сообщений
    13,381
    Вес репутации
    10

    По умолчанию Re: Дисплей Epson LCD L2F50 от Siemens S65

    x-position, y-position, 'text', font size, font color, fone color
    Последний раз редактировалось Chip; 30.12.2011 в 22:33.

  10. #10
    Пользователь
    Регистрация
    08.12.2011
    Сообщений
    84
    Вес репутации
    193

    По умолчанию Re: Дисплей Epson LCD L2F50 от Siemens S65

    Спасибо Chip выше просто не посмотрел

Страница 1 из 12 123456711 ... ПоследняяПоследняя

Информация о теме

Пользователи, просматривающие эту тему

Эту тему просматривают: 27 (пользователей: 0 , гостей: 27)

Ваши права

  • Вы не можете создавать новые темы
  • Вы не можете отвечать в темах
  • Вы не можете прикреплять вложения
  • Вы не можете редактировать свои сообщения
  •